消防改造
消防維保
主機維修
聯系我們
- 聯系人:郭經理
- 傳真:010-69552656
- 電話:010-57113119
- 電話:010-57113119
- 郵箱:506665119@qq.com
- 地址:北京通州區新華北路117號
海灣ZF-500火災顯示盤安裝布線說明
來源:海灣消防設備 時間:2019-07-22 15:37:38
海灣的ZF-500火災顯示盤在消防工程上是一種常見的設備,是主要是用于顯示火警信息和報警用的。本火災顯示盤采用51系列單片機,通過RS-485驅動芯片與控制器通訊。單片機驅動液晶屏顯示相應信息,并驅動相應的聲光指示。
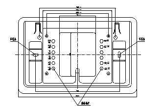
它分底座及顯示盤兩部分,采用壁掛式安裝,外接線路可直接與顯示盤的底座連接,火災顯示盤安裝底座示意圖如下圖所示。

1. 固定底座
a. 在需安裝火災顯示盤的墻壁上相應位置處打兩個Φ8的孔,要求兩孔中心距離為150mm。
b. 在孔內塞入Φ8的塑料脹管。
c. 將底座置于墻上,用配套的木螺釘組合從底座的安裝孔處穿出,固定在墻上孔內的塑料脹管內。
2. 連線
將墻內接線盒里引出的導線及火災顯示盤上的連線,分別按照拔插端子旁端子標簽的標注接在拔插端子上。其中,成對的內、外端子(如內A,外A)在電氣上連接的。端子上標“內”的接火災顯示盤上的對應端子;端子上標“外”的接接線盒內對應的連接線。D1、D2電源線不分極性。
3. 固定火災顯示盤
將火災顯示盤背面的三個孔對準底座相應的部位,并沿垂直于墻壁的方向用力按壓火災顯示盤,同時將火災顯示盤向下滑動到底座上面的兩個小鉤彈起。
4.檢驗安裝是否牢固
安裝示意圖如下所示。


